website page counter

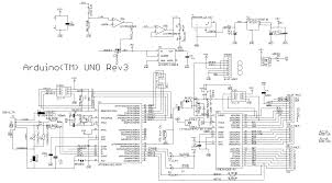
Arduino Uno Rev 3 Schaltplan

Best image references website

Arduino Uno Rev 3 Schaltplan.

Arduino Uno R3 Schematic Ch340
Arduino Uno R3 Schematic Ch340 from electronoobs.com

close