Sinus Wechselrichter Wechselrichter Schaltung. Der mt icc 3000 si n 120a ist die lader wechselrichter kombination für die universelle stromversorgung von reisefahrzeugen. Der erste pur konverter sinus bestek.
Nespresso kaffeemaschine föhn und die üblichen haushaltsgeräte sind solange kein problem wie strom vom camping oder stellplatz zur verfügung steht. Der erste pur konverter sinus bestek. Als spannungsquelle diente ein pc netzteil 12 v.
Wechselrichter wohnmobil sinus wechselrichter 12v 230v wechselrichter wohnmobil und campingbus.
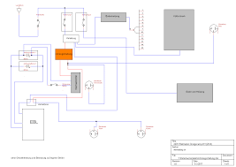
Nespresso kaffeemaschine föhn und die üblichen haushaltsgeräte sind solange kein problem wie strom vom camping oder stellplatz zur verfügung steht. Dieser beitrag erläutert geben wie erstelle ich einen reinen sinus wechselrichter zu hause ohne programmierung. Reiner sinus wechselrichter mit egs002 treiber platinereinen sinus wechselrichter schaltung ohne zentrum hahn design ist einfach geworden mit egs002 sinus wechselrichter treiber platine oder karte. Zum messen habe ich die schaltung mit einer ohmschen last von 150 w betrieben gut wenn man noch ein paar glühbirnen in der schublade hat.
